Military Specification Sheet
MIL-S-19622/13E(SH)
 |
Stuffing Tube, Nylon: Bushing, Neoprene
|
This specification is approved for use by the Naval Sea Systems Command, Department of the Navy, and is available for use by all Departments and Agencies of the Department of Defense.
The requirements for acquiring the product described herein shall consist of this specification sheet and the issue of the following specification listed in that issue of the Department of Defense Index of Specifications and Standards (DODISS) specified in the solicitation: MIL-S-19622.
|
| INCH-POUND |
MIL-S-19622/13E(SH)
24 June 1986
DOWNLOAD:  |
SUPERSEDING
MIL-S-19622/13D(SHIPS)
16 November 1970 |
|
|
 |
|
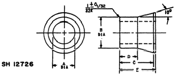
(E) FIGURE 1. Dimensions and configuration
(E) denotes changes.
|
| (E) TABLE I. Size Selection |
(E)
Tube
Size |
Military
Part
No.
|
Dimensions 1/ 2/ |
Superseded
part
number
|
A
DIA
|
B
DIA
|
C |
D |
E |
| 1 |
M19622/13
-0001 |
0.187 |
0.562 |
0.687 |
0.343 |
0.750 |
MS16174-102 |
| -0002 |
.127 |
.562 |
.687 |
.343 |
.750 |
-102A |
| -0003 |
.150 |
.562 |
.687 |
.343 |
.750 |
-102B |
| -0004 |
.234 |
.562 |
.687 |
.343 |
.750 |
-103 |
| -0005 |
.278 |
.562 |
.687 |
.343 |
.750 |
-103A |
| -0006 |
.296 |
.562 |
.687 |
.343 |
.750 |
-104 |
| 2 |
-0007 |
.325 |
.627 |
.750 |
.343 |
.813 |
-105 |
| -0008 |
.367 |
.627 |
.750 |
.343 |
.813 |
-106 |
| -0009 |
.390 |
.627 |
.750 |
.343 |
.813 |
-107 |
| -0010 |
.425 |
.627 |
.750 |
.343 |
.813 |
-108 |
| 3/ -0054 |
.472 |
.627 |
.750 |
.343 |
.813 |
-109 |
| 3 |
-0011 |
.472 |
.767 |
.750 |
.343 |
.813 |
-109A |
(E)
Tube
Size |
Military
Part
No.
|
Dimensions 1/ 2/ |
Superseded
part
number
|
A
DIA
|
B
DIA
|
C |
D |
E |
4
or
4T
|
M19622/13-0012 |
.500 |
.908 |
.750 |
.343 |
.813 |
MS16174-110 |
| -0013 |
.547 |
.908 |
.750 |
.343 |
.813 |
-111 |
| -0014 |
.584 |
.908 |
.750 |
.343 |
.813 |
-112 |
| -0015 |
.609 |
.908 |
.750 |
.343 |
.813 |
-113 |
| -0016 |
.665 |
.908 |
.750 |
.343 |
.813 |
-114 |
| -0017 |
.700 |
.908 |
.750 |
.343 |
.813 |
-114A |
| -0018 |
.719 |
.908 |
.750 |
.343 |
.813 |
-115 |
| 3/ -0053 |
.777 |
.908 |
.750 |
.343 |
.813 |
-116 |
| 5 |
-0019 |
.777 |
1.345 |
1.125 |
.625 |
1.188 |
-117A |
| -0020 |
.812 |
1.345 |
1.125 |
.625 |
1.188 |
-117 |
| -0021 |
.853 |
1.345 |
1.125 |
.625 |
1.188 |
-118 |
| -0022 |
.889 |
1.345 |
1.125 |
.625 |
1.188 |
-119 |
| -0023 |
.937 |
1.345 |
1.125 |
.625 |
1.188 |
-120 |
| -0024 |
.980 |
1.345 |
1.125 |
.625 |
1.188 |
-121 |
| -0025 |
1.021 |
1.345 |
1.125 |
.625 |
1.188 |
-121A |
| -0026 |
1.042 |
1.345 |
1.125 |
.625 |
1.188 |
-122 |
| -0027 |
1.073 |
1.345 |
1.125 |
.625 |
1.188 |
-123 |
| -0028 |
1.113 |
1.345 |
1.125 |
.625 |
1.188 |
-124 |
| -0057 |
0.766 |
1.345 |
1.125 |
.625 |
1.188 |
-- |
(E)
Tube
Size |
Military
Part
No.
|
Dimensions 1/ 2/ |
Superseded
part
number
|
A
DIA
|
B
DIA
|
C |
D |
E |
| 6 |
M19622/13-0058 |
.806 |
1.752 |
1.375 |
0.687 |
1.438 |
-- |
| -0055 |
.886 |
1.752 |
1.375 |
.687 |
1.438 |
-- |
| -0056 |
.956 |
1.752 |
1.375 |
.687 |
1.438 |
-- |
| -0029 |
1.159 |
1.752 |
1.375 |
.687 |
1.438 |
MS16174-125A |
| -0030 |
1.167 |
1.752 |
1.375 |
.687 |
1.438 |
-125B |
| -0031 |
1.200 |
1.752 |
1.375 |
.687 |
1.438 |
-125 |
| -0032 |
1.244 |
1.752 |
1.375 |
.687 |
1.438 |
-125C |
| -0033 |
1.305 |
1.752 |
1.375 |
.687 |
1.438 |
-126 |
| -0034 |
1.350 |
1.752 |
1.375 |
.687 |
1.438 |
-126A |
| -0035 |
1.390 |
1.752 |
1.375 |
.687 |
1.438 |
-127 |
| 7 |
-0036 |
1.458 |
1.939 |
1.500 |
.750 |
1.625 |
-129A |
| -0037 |
1.500 |
1.939 |
1.500 |
.750 |
1.625 |
-129 |
| -0038 |
1.566 |
1.939 |
1.500 |
.750 |
1.625 |
-130 |
(E)
Tube
Size |
Military
Part
No.
|
Dimensions 1/ 2/ |
Superseded
part
number
|
A
DIA
|
B
DIA
|
C |
D |
E |
| 8 |
M19622/13-0039 |
1.641 |
2.314 |
1.750 |
0.875 |
1.875 |
MS16174-132 |
| -0040 |
1.688 |
2.314 |
1.750 |
.875 |
1.875 |
-132A |
| -0041 |
1.735 |
2.314 |
1.750 |
.875 |
1.875 |
-132B |
| -0042 |
1.812 |
2.314 |
1.750 |
.875 |
1.875 |
-133 |
| -0043 |
1.859 |
2.314 |
1.750 |
.875 |
1.875 |
-133A |
| -0044 |
1.906 |
2.314 |
1.750 |
.875 |
1.875 |
-133B |
| 9 |
-0045 |
2.046 |
3.255 |
2.000 |
.937 |
2.125 |
-133B |
| -0046 |
2.093 |
3.255 |
2.000 |
.937 |
2.125 |
-134A |
| -0047 |
2.140 |
3.255 |
2.000 |
.937 |
2.125 |
-134B |
| -0048 |
2.285 |
3.255 |
2.000 |
.937 |
2.125 |
-135 |
| -0049 |
2.364 |
3.255 |
2.000 |
.937 |
2.125 |
-136 |
| -0050 |
2.418 |
3.255 |
2.000 |
.937 |
2.125 |
-137 |
| -0051 |
2.540 |
3.255 |
2.000 |
.937 |
2.125 |
-137A |
| -0052 |
2.700 |
3.255 |
2.000 |
.937 |
2.125 |
-138 |
|
1/ Dimensions are in inches.
2/ Tolerance shall be as follows:
| Size |
Fixed (plus or munus)* |
Closure** |
| 0-0.499 |
0.010 |
0.015 |
| 0.500-.999 |
.010 |
.018 |
| 1.000-1.999 |
.015 |
.020 |
| 2.000-2.999 |
.020 |
.025 |
| 3.000-3.999 |
.025 |
.030 |
* Fixed dimension tolerances apply individually to each fixed dimension by its own size.
** Closure dimension tolerances are determined by the largest closure dimension and this single tolerance is used for all other closure dimensions.
3/ For replacement in existing installations. Not to be used for new construction.
Requirement:
Marking. Tube size in 1/8 inch high raised letters molded on face or may be stamped with ink type solution of contrasting color.
|
AMSC N/A
|
FSC 5975
|
|
DISTRIBUTION STATEMENT A
|
Approved for public release; distribution is unlimited
|
| |
Preparing activity: Navy - SH (Project 5975-N612-13)
|
|
|

Dorn Equipment Corporation
27 Upham Street Melrose, MA 02176 Tel: 781-662-9300 Fax: 781-665-0180 dornequipment.com
© MMXII Dorn Equipment Corporation Web
design by DreamLight.com
|