Military Specification Sheet
MIL-R-2726/5B(SH)
 |
Receptacle, Plug, Electrical, 3-Pin Grounded,
40-Ampere, 450-Volt, Alternating Current
(Symbol No. 1140.1)
|
This specification is approved for use by the Naval Sea Systems Command, Department of the Navy, and is available for use by all Departments and Agencies of the Department of Defense.
The requirements for acquiring the product described herein shall consist of this specification and the latest issue of MIL-R-2726.
|
| INCH-POUND |
MIL-R-2726/5B(SH)
3 July 1986
DOWNLOAD:  |
SUPERSEDING
MIL-R-2726/5A(SHIPS)
1 May 1968 |
|
|
 |
|
NOTES:
- Dimensions are in inches. Unless otherwise specified, tolerances are +/- 1/64 inch for fractions and +/- 0.005 inch for decimals. Angular tolerance is +/- 1/2 degree.
- Supersedes: Drawing 9000-S6202-73882, pc. 55, symbol 1140.
|
|
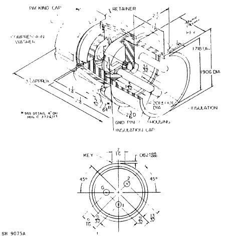
FIGURE 1. Dimensions and configuration.
(B) denotes changes.
|
(B) REQUIREMENTS:
- Dimensions and configuration: See figure 1.
- Effectiveness of enclosure: Watertight in accordance with MIL-STD-108 when coupled with mating receptacle.
- Strain relief: 30 pounds.
- Material:
Housing and retainer polyamide (Nylon).
Plug insulation
and cap type MAI-60 of MIL-M-14.
- Contact hardness: Minimum of Rockwell 80F.
- Packing assembly: MIL-S-19622/19-0007 (not furnished).
- Mating receptacle: MIL-R-2726/11-001 or -002 (not furnished).
- Test cable: MIL-C-24643 and MIL-C-24643/3 (not furnished).
- Assembly: Tapping of insulation (inserts not required) for assembly with housing is permitted.
- Packing cap: MIL-S-19622/10-0005 to be furnished.
- Electrical rating: 40-amperes, 450-volt, alternating current, 60-hertz.
- Part number: M2726/5-001.
- Contact finish: Silver plate.
(B) QUALITY ASSURANCE:
Quality assurance shall be as specified in MIL-R-2726 and table I herein. The first article and quality conformance inspections shall consist of the inspections as specified in table 1, in the order shown .
| TABLE I. First article and quality conformance inspection. |
| Inspection |
Requirement |
Test method |
First
article
|
Quality
conformance
|
| Examination |
3.1, 3.3, 3.4, 3.5, 3.6 and 3.7 |
4.6.1 |
X |
X |
| Insulation resistance |
3.5.1 |
4.7.1 |
X |
X |
| Dielectric withstanding voltage |
3.5.2 |
4.7.2 |
X |
X |
| Contact resistance |
3.5.3.1 |
4.7.3.1 |
X |
X |
| Endurance |
3.5.5 |
4.7.5 |
X |
|
| Salt spray |
3.5.11 |
4.7.11 |
X |
|
| Contact resistance |
3.5.3.1 |
4.7.3.1 |
X |
|
| Current load |
3.5.12 |
4.7.12 |
X |
|
| Vibration |
3.5.9 |
4.7.9 |
X |
|
| Shock |
3.5.10 |
4.7.10 |
X |
|
| Effectiveness of enclosure |
3.5.4 |
4.7.4 |
X |
X |
| Dielectric withstanding voltage |
3.5.2 |
4.7.2 |
X |
|
| Mechanical abuse |
3.5.8 |
4.7.8 |
X |
|
| Ball drop impact |
3.5.15 |
4.7.15 |
X |
|
| Strain relief |
3.5.7 |
4.7.7 |
X |
|
| Rockwell hardness |
3.5.14 |
4.7.14 |
X |
|
|
|
AMSC N/A
|
FSC 5935
|
|
DISTRIBUTION STATEMENT A
|
Approved for public release; distribution is unlimited
|
| |
Preparing activity: Navy - SH (Project 5935-N255-6)
|
|
|

Dorn Equipment Corporation
27 Upham Street Melrose, MA 02176 Tel: 781-662-9300 Fax: 781-665-0180 dornequipment.com
© MMXII Dorn Equipment Corporation Web
design by DreamLight.com
|